Kirchhoffsche Gesetze
Die Kirchhoffschen Gesetze sind zwei grundlegende Gesetze der Elektrotechnik. Sie beschreiben die Verhältnisse in elektrischen Netzwerken.
Die Knotenregel ist Strombilanz, die Maschenregel ist Spannungsbilanz.
1. Kirchhoffsches Gesetz (Knotenregel)
Die Summe aller in einen Knoten fließenden Ströme ist gleich der Summe aller aus dem Knoten fließenden Ströme.

Wenn man die Richtung der Ströme betrachtet, wählen wir dass der hinein fließende Strom positiv und der herausfließende Strom negativ ist.
Im Bild oben also
und somit
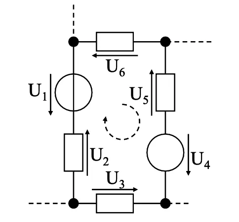
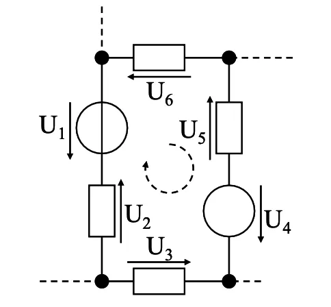
2. Kirchhoffsches Gesetz (Maschenregel)

Die Summe aller Spannungen in einer Masche ist null.
Da die Spannungsrichtungen vorher willkürlich festgelegt wurden, werden Spannungen, die im Uhrzeigersinn eingezeichnet sind, positiv gezählt und Spannungen, die gegen den Uhrzeigersinn eingezeichnet sind, negativ gezählt.
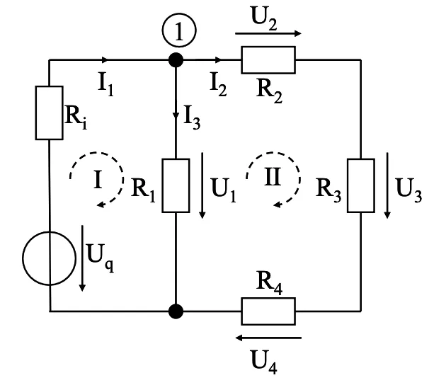
Beispiel
Gegen sei folgendes Netzwerk:

Anwendung der Kirchhoffschen Gesetze
Für Knoten 1 gilt die Knotenregel:
Für die Maschen gelten folgende Maschenregeln:
Masche I:
Masche II:
Das Ohmsche Gesetz liefert für die einzelnen Widerstände:
Widerstand :
Widerstand :
Widerstand :
Widerstand :
Widerstand :
co-authored by an AI agent.